
- 모델: VK-STL
- 라벨링 속도: 40-60개/분.
- 라벨링 정확도: ± 0.5mm
- 라벨 직경(최대): 350mm
- 라벨 폭(최대): 200mm
- 튜브 직경(최대): 65mm
- 튜브 직경(최소): 19mm
- 튜브 길이(최대): 220mm
- 라벨 릴 코어 직경: 76.2mm
- 전원: 220V 50Hz 3000W
- 무게: 300kgs
이 라벨링 기계는 주로 화장품, 직업이 있는 개인 간호 등에 적합합니다. 구강, 식품, 화학 산업 튜브 포장 튜브는 표지판을 붙입니다. 높은 정확도, 중복 신뢰성 및 효율성은 고객이 표지판 기계 요청을 붙이는 것을 만족시킵니다. 그러나 우리의 우월성은 합리적인 설계, 선도적인 가공 공예 및 고정밀 조립, 훌륭한 사후 서비스에 있습니다. 이 장비는 조작자의 단순성, 금형과 라벨을 대체하여 편리하고, 세척 및 유지 관리 서비스가 용이하여 사용자의 사용 비용이 낮아 튜브가 표지판을 붙이는 이상적인 장비입니다.
고효율 튜브는 표지판 작업 스테이션에 붙입니다. 간단한 조작, 공급 제어, 표지판 붙이기, 재료 수신; 부족한 재료 검사 전기 눈 및 자동 정지 기능 포함.
속도, 정밀성, 안정성, 사용 편의성 등 모든 면에서 최적화된 조합으로 유연하게 작동합니다.

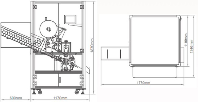
라벨링 방향 및 기계 도면



호스에 부착하는 표지판은 특별히 설계되었으며, 투명/불투명 자체 접착 라벨이 튜브에 빠르게 부착되며, 다양한 길이의 여러 종류에 적합하며, 다양한 직경의 튜브에 부착할 수 있습니다.
안정적으로 작동하며, 신뢰할 수 있습니다. 각 부드러운 튜브가 손상되지 않았을 때 업로드되고, 표지판이 매끄럽게 붙여지는 것이 보장됩니다.
비극성 공기 실린더 조직을 사용 : 고품질 제품이 빠르고, 주문 가능하며, 신뢰할 수 있음을 보장합니다.
디콜레이터 위치 지정 장치를 사용합니다: 튜브가 표지판 위치를 정확하게 붙여넣는지 확인하고, 신뢰할 수 있도록 유지 관리가 필요하지 않습니다.
기압 검사형 덤핑 장치: 보증 붙여넣기 후 사인 튜브가 안정적으로 배출됩니다.

라벨링을 위해 공급 호퍼에 배열된 라벨

연성 튜브에 대한 라벨링 프로세스
자동 튜브 라벨러는 지멘스 PLC 터치스크린 제어 시스템을 사용합니다.
지능형 미쓰비시 서보 라벨링 시스템
기계의 반응 속도가 빠르고 정밀하게 고속 라벨링 위치를 지정합니다.
조작과 조절이 쉽습니다.
스테인리스 스틸 구조.
다양한 퍽으로 다양한 크기의 튜브를 지원합니다.
기계 사양


| 모델 | VK-STL |
| 라벨링 속도 | 40-60개/분 |
| 라벨링 정확도 | ± 0.5mm |
| 라벨 직경(최대) | 350mm |
| 라벨 너비(최대) | 200mm |
| 튜브 직경 (최대) | 65mm |
| 튜브 직경(최소) | 19mm |
| 튜브 길이(최대) | 220mm |
| 라벨릴 코어 직경 | 76.2mm |
| 힘 | 220V 50Hz 3000W |
| 무게 | 300kg |


라벨 샘플




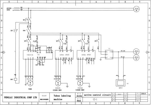
자동 라벨링 기계용 능동 제어 회로
애프터 서비스
보장하다: 모든 기계에 대해 1년 보증을 주장합니다. (사고, 오용, 오용, 보관 손상, 과실 또는 장비나 구성품의 개조로 인한 문제는 보증에서 제외됩니다. 또한 쉽게 부러지는 예비 부품은 보증에 포함되지 않습니다.)
설치: 기계가 공장에 도착한 후, 필요한 경우 기술자가 귀하의 현장으로 가서 기계를 설치하고 테스트하고 또한 귀하의 근로자에게 기계 작동 방법을 교육합니다(기차 시간은 근로자에 따라 다름). 비용(항공권, 식사, 호텔, 귀하의 국가에서의 여행 비용)은 귀하의 계좌에 있어야 하며 기술자 비용은 하루에 150달러입니다. 또한 당사 공장으로 가서 교육을 받을 수도 있습니다.
애프터 서비스: 기계에 문제가 생기면 기술자가 가능한 한 빨리 귀하의 집으로 가서 기계를 수리할 것입니다. 비용은 귀하의 계좌에 있어야 합니다(위와 같이).









