
- VK-BR 유리병 세척기
- VK-PF 오일 충전기 4헤드
- VK-VC 진공캡핑기
- VK-RPL 원형 병 라벨링 기계
완전 자동 충전 라인은 고객의 요구 사항과 구매자가 제공한 샘플에 따라 맞춤화할 수 있습니다. 아래에 식품 산업을 위한 이 완전 자동 충전 라인에 대한 기본 정보가 나와 있습니다.
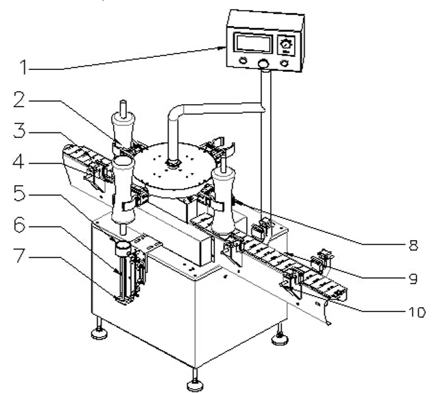
유리병 에어워싱 머신 진공세척기 장비
이 기계는 공기를 이용한 자동 병 세척기입니다. 용량은 공기 세척 노즐에 따라 달라집니다.
공기 압축기는 진공 용기 내부의 공기를 수송하고, 솔레노이드 밸브와 이온 발생기를 통한 가스는 정화되고, 기관 가스 샴푸는 가스 세척구를 통해 가스를 병에 불어넣고, 가스 압력으로 가스 세척구에서 이물질을 불어내고, 배출 제어를 통해 기관에서 배출된 폐가스를 외부로 배출합니다.

| 1 | 제어판 | 2 | 병 |
| 3 | 젖병용 벨트 | 4 | 병 공급용 센서 |
| 5 | 병 고정 구조 | 6 | 린싱 인젯 |
| 7 | 정전기 튜이어 | 8 | 병 고정 지점 |
| 9 | 병 출력용 벨트 | 10 | 가이드 바 |
유리병용 회전식 공기 세척기의 기본 매개변수 자동:

모델: VK-BR
병에 맞게: 20-1000ml
생산 용량: 8개 세척 노즐: 3600~4800bph
공기압 범위 : 6~8kg/cm2
공기 소비량: 25m3/h
전원 공급 : 220V 50/60Hz
전력 소비량: 0.75Kw
단일 기계 소음 : ≤70dB
정화된 공기 : 0.2μm
청소시간 : 3~5초
순중량: 350kgs
전체 치수: 1200 x 800 x 1600mm
오일 필링 머신 4 헤드 선형 필러

마이크로컴퓨터로 제어되는 4개 헤드 올리브 충전기는 광전과 공압 작동을 결합하여 농업용 화학물질, 용액, 액체 세제, 화장품 및 올리브의 액체 충전에 널리 적용됩니다.
충전량은 정확하고 거품이 없으며 안정적입니다. 이 기계는 25-1000ml 범위의 액체를 채울 수 있으며, 병 모양에 대한 특별한 요구 사항은 없습니다. 즉, 일반 병과 irrugula 모양의 병에 대한 액체를 채울 수 있습니다.

모델: VK-PF
충전 범위 : 50~3000ml
충진 속도 : <20-30b/m(500-1000ml 액상용)
정확도: ±1%
전원/공급 전력: 0.8kw、220v
작동압력 : 5~6kg/cm3
공기 소모량 : 0.5-0.7mpa
무게: 500kg
외형치수 : 2000×800×1900mm
표시: 충전 노즐은 충전 범위 및 충전 속도에 대한 고객 요구 사항에 따라 설계 및 제조될 수 있습니다.
선형 진공 캡핑 기계 Vk-Vc 항아리 캡퍼 장비:
이 선형 캡핑 기계는 수년간의 경험을 바탕으로 당사에서 연구 개발했으며, 국내에서 유일합니다. 자동 캡 정렬과 커버링, 진공 캡핑이 통합되어 있습니다.
높은 진공을 달성하기 위해 수동 진공 펌프를 채택했습니다. 병이 없고 덮개가 없으며 캡이 없을 때 경고하는 기능이 있습니다. 높은 자동화를 즐겼습니다. 주요 공압 및 전기 부품은 세계적으로 유명한 브랜드에서 생산됩니다.
안정적이고 신뢰할 수 있는 성능을 제공합니다. 통조림 식품, 음료, 조미료, 건강 관리 제품 등의 산업에서 철 캡이 있는 유리 병의 진공 캡핑에 널리 사용됩니다.

전력 : ≤2.3KW (진공 펌프 포함)
생산 용량: 50-60BPM
캡 직경: ¢30-¢55mm ¢50-¢85mm
병 높이: 80-250mm
병 직경: ¢30-¢85mm
최대 진공 : -0.08mpa
캡핑 토션: 5-20N.M
공기 소비량: 0.6M3/0.7Mpa
기계 크기 : 약 3000×1000×1900mm
무게 : 약 850kg
Vk-Rpl 원형 병 항아리 라벨링 기계

애플리케이션: 라벨이나 제품에 부착된 멤브레인의 둘레 표면이 필요합니다.
산업: 식품, 의약품, 화장품, 전자, 금속, 플라스틱 및 기타 산업에서 널리 사용됩니다.
애플리케이션: PET 원형병 라벨링, 플라스틱병 라벨링, 통조림 식품 라벨링 등.

적합한 라벨 길이(mm) : 20mm ~ 314mm
적용 라벨 폭 (백킹지 폭 / mm) : 15mm ~ 150mm
적용제품 직경(원형병용) 및 높이 : 직경 : φ25mm ~ φ100mm
높이 : 25mm ~ 230mm
적용표준롤직경(mm) : φ280mm
적용표준롤직경(mm) : φ76mm
라벨링 정확도(mm): ± 1mm
기준속도(m/min) : 서보 : 5 ~ 25m/min 스테핑 : 5 ~ 19m/min
라벨링 속도(개/분): 스테핑: 30 ~ 80개/분(병 및 라벨 크기에 따라)
서보 : 40 ~ 120개/분
컨베이어 속도(m/min) : 5 ~ 25m/min
무게(kg) : 약 185kg
주파수(HZ): 50HZ 전압(V): 220V
전력(W): 530W(트랙션 스테퍼) 980W(트랙션 서보)
장치 치수(mm) (L × W × H): 1950mm × 1100mm × 1300mm


나무상자 포장:

충전 라인에 대한 애프터 서비스

저희는 12개월 이내에 주요 부품의 품질을 보증합니다. 주요 부품이 인공적인 요인 없이 1년 이내에 고장이 나면 저희는 무료로 제공하거나 귀하를 위해 유지 관리합니다. 1년 후에 부품을 교체해야 하는 경우 저희는 친절하게 최상의 가격을 제공하거나 귀하의 사이트에서 유지 관리합니다. 사용에 대한 기술적 질문이 있을 때마다 저희는 기꺼이 최선을 다해 지원해 드립니다.
품질 보증 :
제조업체는 상품이 제조업체의 최고 소재로 만들어졌으며, 일류의 솜씨로, 새 제품이며, 사용하지 않았으며, 이 계약에 규정된 품질, 사양 및 성능과 모든 면에서 일치함을 보장해야 합니다. 품질 보증 기간은 B/L 날짜로부터 12개월 이내입니다.
제조업체는 품질 보증 기간 동안 계약된 기계를 무료로 수리합니다.
고장이 구매자의 부적절한 사용이나 기타 이유로 인해 발생한 경우, 제조업체는 수리 부품 비용을 청구합니다.
설치 및 디버깅:
판매자는 엔지니어를 파견하여 설치 및 디버깅을 지시합니다. 비용은 구매자 측에서 부담합니다(왕복 항공권, 구매자 국가의 숙박비). 구매자는 설치 및 디버깅을 위해 사이트 지원을 제공해야 합니다.









