
- 캡핑 속도: 15-30개/분
- 정격 전압: 110V/60Hz(미국 표준)
- 기계 전력: 0.8KW
- 암페어: 2.2A
- 외부 치수: 2230*1460*1600 MM(L*W*H)
- 공기압 : 0.7MPa
- 무게 : 약 300KG
병 캡핑 기계를 시작하기 전 알림
1: 기기를 연결하기 전에 전원 스위치가 닫힌 상태인지 확인한 후 지침을 따르세요.
2: 장시간 기계를 작동하지 않을 경우 마른 천으로 닦아야 하며 부식성이 있는 세척제로 청소해서는 안 됩니다.
3: 내부 전기 부품의 부식 및 단락을 방지하기 위해 기계의 전기 상자 안으로 액체를 뿜어내는 것은 엄격히 금지되어 있습니다.
4. 장비 포장 목록에 있는 모델, 사양, 장비 및 재료의 수량을 확인하여 설계 및 제품 표준 요구 사항을 충족하는지 확인하고 적합성 인증서가 첨부되어 있는지 확인하세요.
5: 장비의 외관을 점검하여 변형, 손상, 부식이 없는지 확인하고, 모든 스핀들이 막힘 없이 유연하게 회전하는지 확인하세요.
6: 이 기계는 단상 AC 110V에서 작동하며, 평평한 3개 다리 전원 플러그를 접지선이 있는 전원 소켓에 꽂아야 합니다.
기술적 매개변수

- 캡핑 속도: 15-30개/분
- 정격 전압: 110V/60Hz(미국 표준)
- 기계 전력: 0.8KW
- 암페어: 2.2A
- 외부 치수: 2230*1460*1600 MM(L*W*H)
- 공기압 : 0.7MPa
- 무게 : 약 300KG
캡핑 머신 세부 정보:



기계의 구조

광섬유 전기 눈 설명
병을 감지하는 전기 눈:

자동 모드로 작동할 경우 이 전자안구의 목적은 들어오는 병을 감지하는 것입니다.
들어오는 병이 감지되면 '턴테이블'이 회전합니다.
뚜껑 전달 전기 눈

자동 모드로 작동할 경우 이 전자안경의 목적은 들어오는 덮개를 감지하는 것입니다.
뚜껑의 유입이 감지되면 "꺼내기 메커니즘"이 올라와 재료를 꺼냅니다.
뚜껑 전달 전기 눈

자동 모드로 작동할 경우: 이 전자안구의 목적은 들어오는 병을 감지하는 것입니다.
병이 들어오는 것을 감지하면 "잠금 캡 메커니즘"이 잠금 캡을 아래쪽으로 돌립니다.
스위치 버튼 및 배선 포트
터치 스크린 및 비상 정지

피드 모터 및 뚜껑 진동 플레이트 컨트롤러

진동판 컨트롤러

진동판 컨트롤러: 전압을 조정하여 방전 속도를 조정합니다.
전원 스위치 및 소켓

모터 컨트롤러

주파수 변압기: 주파수 변압기 버튼을 조정하여 모터 속도를 조정합니다.
알람 및 문제 해결 방법:
1. 비상 정지가 눌렸습니다. 기계 캡과 터치 스크린 옆에 있는 비상 정지를 누릅니다.
2. 출력이 설정 값에 도달합니다. 출력을 설정하고, 클리어 버튼을 눌러 현재 출력을 클리어합니다.
3. 캡이 장시간 감지되지 않을 경우, 병 캡 유도 섬유가 잘 제공되었는지 확인하십시오. 캡이 제자리에 있는지 확인하십시오.
4. 병이 장시간 감지되지 않을 경우, 병이 제자리에 있는지 확인하십시오.
전기 눈 조정:
앰프 구조

광섬유 다이어그램:

1. 광섬유 잠금장치
2. 동작 상태 표시기
3. 설정
4. DSC 표시등
5. 디지털 모니터
6. 수동 버튼
7. 확장된 보호 커버
8. 확장 커넥터
9. 전원 선택 스위치
10. 모드 버튼
11. 출력 선택기
12. 케이블
13. 먼지 보호기
14. 설정값(녹색)
15. 현재가치(빨간색)
광섬유 설정을 위한 작업 프로세스
- 전기 눈이 틈새에 빠지면 빨간색 전류 값은 144가 됩니다.
- 전기 눈이 라벨에 닿으면 빨간색 전류 값은 4가 됩니다.
- 설정값을 조정합니다. 전기눈이 신체지(검출물 사이의 틈새)에 있는 값과 전기눈이 종이에 있는 값의 약 1/2 정도입니다. 설정값은 (144 4)/2=74입니다. 수동버튼을 조정하여 설정값을 74로 조정합니다.
- 전기 눈 위치와 빨간색 "신호등/표시등"에서 라벨 간격을 앞뒤로 이동합니다.
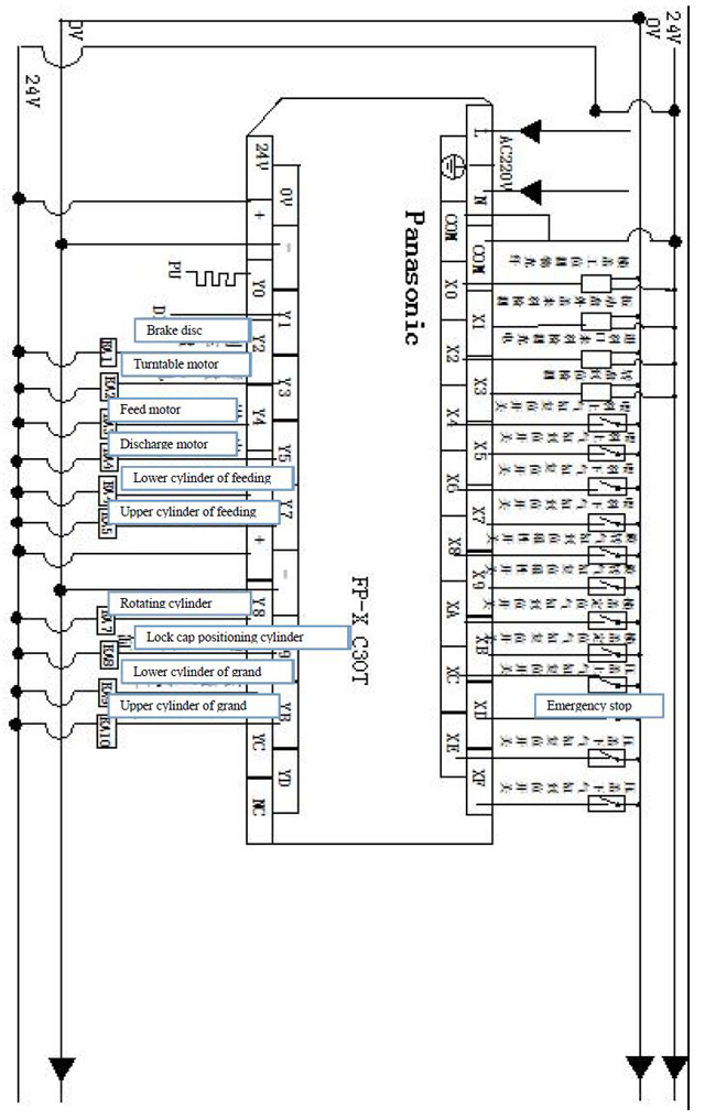
회로도



유지 보수 병 캡핑 기계

1. 기계를 연장하고 기계 기능을 최적화하기 위해 기계를 점검하고 유지 관리하는 것이 필요합니다.
- 작동하는 기계는 3개월마다 유지관리를 해야 합니다.
- 베어링과 기어 전달 부분은 그리스로 윤활되어야 합니다.
- 윤활은 주기적으로 이루어져야 합니다.
- 슬라이드 웨이 오일(N68)은 왕복 운동 기구나 리프팅 등의 작업에 하루에 2회 정도 투입해야 합니다.
- 회전부나 스윙부에는 자동차 오일(N68)을 첨가하여야 합니다.
- 반달마다 캠 슬롯에 그리스를 추가하세요.
- 한 달에 한 번씩 오일 노즐에 그리스를 추가합니다.
2. 본딩이 부품(구성요소 또는 금형)에 뭉쳐 있는 표면을 금속 도구로 두드리거나 긁지 마십시오.
3. 기계가 장시간 작동하지 않을 경우 변속기나 베어링 부분과 같은 부품에 윤활을 위해 그리스를 추가하십시오. 또한 기계를 방수 처리하십시오.
4. 기계가 손상될 수 있으므로 기계 위에 어떤 물건도 올려놓지 마십시오.
5. 구성품 내부의 먼지를 주기적으로 청소하고 모든 나사를 점검하여 느슨해진 나사를 고치세요.
6. 특정 시간에 단자의 나사를 점검하여 배선을 하고 나사가 고정되어 있는지 확인하십시오.
7. 전기 상자에서 늘어난 배선 경로에 느슨한 스테이션이 있는지 확인하십시오. 해당 부분이 너무 느슨한 경우 나사를 다시 고정하여 절연 층이 마모되거나 손상되어 전기 누출이 발생하는 것을 방지하십시오.
8. 쉽게 마모되는 패드를 점검하고 손상된 패드는 제때 교체하십시오.









