
- 캡핑 헤드: 2개 서보 모터 구동
- 전압: 220V, 50/60HZ;
- 전력:3.0Kw
- 공기압 : 0.5~0.7Mpa
- 암페어: 8.5A
- 속도: 40-45/분(항아리 모양 및 크기에 따라 맞춤화)
- 적합 제품 직경: φ28-φ125mm 뚜껑(비표준 맞춤형)
- 글랜드 통과율: ≥99.5%(뚜껑 및 병 오류에 따라 다름)
- 기계 크기: 3300*1150mm*1908mm
- 무게 : 450kg
기계의 전원을 켜기 전에. 안전 문제와 기계의 올바른 사용을 위해 이 설명서를 주의 깊게 읽어주세요. 인적 사고를 피하고 기계 손상 빈도를 줄이려면.
부식성 제품의 경우, 부식성 물체가 기계 자체 및 직원에게 닿거나 튀지 않도록 주의하세요.
- 진동이나 충돌이 있는 장소에서는 기계를 사용하지 마십시오.
- 기계가 작동하는 동안 직원의 신체는 움직이는 부분에 닿을 수 없습니다.
- 이 기계는 지나치게 습도가 높은 곳에서는 피해야 합니다. 그리고 전원에 입력, 접지선은 올바르게 접지하여 안전 사고를 방지하십시오.
- 사용자는 정상적인 신체적, 정신적 상태를 유지해야 합니다. 사용자가 술이나 수면제, 기타 정신 상태에 해로운 약물을 복용하는 경우 기기 작동을 중단하세요.
- 작업자는 회전하는 부품에 옷이 끼어 부상을 입지 않도록 적절한 옷을 착용해야 하며, 기계 위에 불필요한 물건을 올려놓아서는 안 됩니다.
- 사용 중 소음이나 기타 이상이 발생할 경우 즉시 중단하고 점검하십시오. 엔지니어링 기술자가 아닌 사람은 임의로 기계 부품을 옮기지 마십시오.
- 정기적인(1주일에 한 번) 유지관리와 관리를 실시하고, 기계를 청소할 때는 물이나 액체가 튀는 것을 피하고 전자 제어 상자 또는 기타 전기 부품을 청소해야 합니다.
- 일반적인 작동 절차에 따라 작동하고 기계 표면을 깨끗하고 정돈하여 유지하세요.
캐퍼 기계는 화장품, 의약품, 수의학, 살충제, 윤활유 및 기타 포장 공정의 산업 분야에 적용됩니다.





항아리 캡핑 기계의 원리 및 특징:
- 전기 자동 제어로 안정적입니다.
- 캡핑 위치 장치, 잠금식 커버 표준으로 작업이 편리합니다.
- 잠금 커버는 범위가 넓고, 캡의 사양에 따라 다양한 모양을 회전시킬 수 있습니다.
- 속도를 제한하는 것은 회전의 감옥이며, 동시에 되감기의 견고성을 필요에 따라 조정할 수도 있습니다.


화장품 병 캡핑기의 기본 매개변수:

1. 캡핑 헤드 : 2개 서보 모터 구동
2. 전압: 220V, 50/60HZ;
3. 전력 : 3.0Kw
4. 공기압 : 0.5--0.7Mpa
5. 암페어 : 8.5A
6. 속도: 40-45/분(항아리 모양 및 크기에 따라 맞춤화)
7. 적합한 제품 직경: φ28-φ125mm 뚜껑(비표준 맞춤형)
8. 글랜드 통과율:≥99.5%(뚜껑 및 병 오류에 따라 다름)
9. 기계 크기: 3300*1150mm*1908mm
10. 무게 : 450kg
호스트 파트 설명


전원 스위치: 전원 공급 장치를 켜고 끕니다.
전원 표시등: 전원 켜짐---녹색 불빛 켜짐, 전원 꺼짐---녹색 불빛 꺼짐.
비상 정지: 비상 또는 오류 발생 시 기계를 즉시 멈추거나 기능을 재설정하는 데 사용됩니다.
1. 광전 시작: 기계가 작동 중일 때 광전 감지가 병이 있고 뚜껑이 있음을 감지하면 턴테이블이 작동을 시작할 수 있습니다. 두 광전 중 하나가 감지되지 않으면 턴테이블이 회전하지 않습니다.
2. 원점 광전: 이는 턴테이블 위치를 구동하는 스테핑 모터를 제어하여 병이 뚜껑에 원활하게 삽입될 수 있도록 하는 데 사용됩니다.
3. 캡 광전기: 덮개가 제자리에 있는지 확인하고, 회전할 덮개 회전대가 있는지 광전적으로 감지합니다.
4. 광전기를 덮다: 상부 커버 기계의 시작과 정지를 제어하여 상부 커버 기계에서 제공된 커버가 광전으로 감지된 위치로 정렬되면 광전이 항상 밝아지고 커버 기계는 커버를 위해 정지하고 지능형 커버가 구현됩니다.
5. 잠금 커버 광전 효과: 뚜껑이 달린 병이 통과하면 광전 감지가 감지되고 설정된 지연 시간에 따라 잠금 커버가 작동합니다.(구체적인 매개변수는 기계 조정 시 컨베이어 벨트의 속도에 따라 조정됩니다.)
6. 잠금 커버 시스템: 뚜껑이 달린 병은 동일하고, 광전식 시작 지연, 실린더 클램프 병 지연, 잠금 캡이 낮아지고, 그립 커버 - 나사 캡 - 그리퍼 릴리스 - 잠금 캡이 올라감 - 클립 병이 느슨해지고, 잠금 캡 프로세스가 완료됩니다. 잠금 커버에서 1# 잠금 커버가 잠금 커버에 있을 때 다른 병이 들어갑니다. 이때 2# 클램프 병 실린더가 움직이고 2# 잠금 커버가 활성화되어 커버가 잠깁니다. (2# 잠금 헤드에 의해 잠긴 캡이 1# 클립 병을 통과할 때 잠금 커버를 반복하지 마십시오.

인간-기계 인터페이스 설명

부팅 페이지
3.1 부팅 페이지에는 영어, 중국어 작업 선택이 있습니다. 중국어 버튼을 선택하면 다음 인터페이스로 들어갑니다.

두 번째 인터페이스
멈추다: 전체 기계의 시작 스위치, 이 키를 터치하면 기계가 자동 모드로 작동합니다. 이 키를 다시 터치하면 기계가 작동을 멈춥니다.
테스트 게이트: 기계의 작동을 테스트합니다.
턴테이블 속도: 속도 매개변수가 클수록 속도가 빨라지고, 속도 매개변수는 느려집니다. (하지만 최대 한도가 있습니다.)
턴테이블 지연: 턴테이블 시작 시간 설정은 턴테이블이 원활하게 작동할 수 있는 효과를 설정합니다.
캡핑 지연: 지정된 스테이션으로 턴테이블을 이동한 후 대기시간을 지연시키고 실린더 액션 캡을 작동시킵니다.
캡핑 시간: 실린더를 밀봉하는 데 필요한 시간.
산출: 잠금 커버 수량을 기록하고, 편리한 생산 카운트를 완료합니다. 리셋 키를 눌러 지우세요.
X1. X3. X14: 광전반사가 반사되는 작동상태인지 확인하여 기계의 동작상태를 쉽게 확인 가능
캡핑 매개변수: 이 키를 누르고 다음 인터페이스를 입력하세요:

인터페이스는 서보 잠금 커버 시스템의 1# 잠금 헤드의 각 동작에 대해 설정하는 매개변수 페이지이며, 매개변수를 합리적으로 설정하면 기계의 안정성과 효율성 향상에 도움이 됩니다.
반품: 두 번째 인터페이스로 돌아가려면 이 버튼을 누르세요.
입출력: 다음 인터페이스로 들어가려면 이 버튼을 누르세요:

X 시리즈 포인트: 광전식 센서가 작동 상태인지 감지하는 입력 지점으로, 기계의 작동을 쉽게 볼 수 있고 유지관리가 쉽습니다.
Y 시리즈 포인트: 실행 구성요소의 출력점은 정상상태의 피드백이며, 제어키를 수동으로 눌러 실행 구성요소가 정상인지 테스트할 수도 있습니다.
캡 피더 시스템: 규정된 방향에 따라 안정적이고 질서 있게 덮을 수 있습니다.
기울기 조정: 적절한 각도로 조절하여 반대쪽 뚜껑이 슬라이드로 올라가지 않도록 할 수 있습니다.
주파수 변환기 조절: 커버의 속도를 제어합니다.


항아리 캡핑 장비 유지 관리:
1. 안전을 위해 전원과 가스를 끈 상태에서 기계를 유지하십시오. 기계를 깨끗하고 정돈하고, 기계에 잡동사니, 작은 물건, 액세서리, 볼트 등을 두지 마십시오.
2. 그리고 윤활유는 정기적으로 가동부 기구에 추가되어 기구의 양호한 작동 상태를 보장합니다.
3. 실린더의 적절한 사용을 보장하고 서비스 수명을 연장하려면 공기 필터 장치에서 정기적으로 물을 방출하고 윤활유를 추가하십시오.
4. 기계를 정기적으로 점검하고 수리하십시오. 장비의 작동 상태를 시력과 귀로 판단하여 기계가 잘 작동하는지 확인하십시오.
메모: 사용 및 유지 관리 지침에 따라 엄격히 준수하십시오. 보증 기간 동안 개봉 및 분해는 엄격히 금지되어 있습니다. 그렇지 않으면 이로 인한 손상은 인적 피해로 간주되며 무료 수리가 불가능합니다. 이 지침은 예고 없이 변경될 수 있습니다. 이 기계의 작동에 대해 여전히 불확실한 사항이 있는 경우 언제든지 문의해 주십시오.
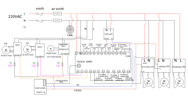
첨부된 전기 회로도:

완성된 밀봉 캡 샘플 항아리 캡핑 기계:





점수: 사각형 검은색 병의 경우 캡이 긁힐 수 있으므로 픽업 시스템을 사용하여 병의 캡을 트레이에서 빼내어 캡핑 준비 스테이션에 넣어 캡핑 닫는 과정을 거치도록 설계되었습니다. 자세한 작업 원리는 다음과 같습니다. 작업 과정:
1. 캡을 트레이에 수동으로 넣기 (15*15 또는 10*10)

2. 트레이를 레디픽업 스테이션에 넣기
3. 병을 집어 올리는 로봇

4. 병 위치 설정 및 캡핑 공정 완료
5. 캡이 달린 항아리 출력











